| штат: | |
|---|---|
UTM-50PRS.
EBP INSTRUMENTS
Шанхай
90 комплектов / месяц
TT заранее
1 комплект
Заявление:
UTM-PRS. Серия (двойное пространство) машина жесткости кольца трубы, в основном используется для определения жесткости кольца, кольцевой мягкости и сжатия термопластичных пирогов, имеющих круглый поперечный сечение. Он соответствует требованиям всех видов пластиковых труб, таких как структурированные настенные трубы, PE гофрированные трубы, спирально намотанные трубы и т. Д.
Стандарты:
Машина может соответствовать ISO9969, ISO5893, ASTM D638, ASTM D790, ISO37, ASTM E4, ISO6892, ISO75000-1, EN 10002-4 стандартами и т. Д.
Функции:
1. Для труб с нерегулярными внутренними диаметрами измерительное устройство деформации толщины стенки также используется для измерения деформации внутреннего диаметра. Точность измерения высока, и контроль является точным и надежным.
2. Тип управления микрокомпьютером имеет расширенную технологию интеграции чипов, профессионально разработанную систему сбора данных и усиления данных и программное обеспечение для управления. Программное обеспечение для управления может автоматически получить тестовые данные, такие как жесткость кольца и соответствие кольцо в соответствии со стандартными требованиями.
3. Усовершенствованная сервовертная система с закрытым контуром позволяет увеличить точность контроля и устойчивости. Выбор отбора проб разрешения. Схема отбора проб разрешения вводится для сбора данных тестирования, даже пиковое значение не будет потеряно.
4. Уникальный дизайн системы измерения внутреннего диаметра делает образец простым в установке и измерении правильного датчика.
Технологический параметр:
PRS-30ew. | PRS-50ew | PRS-100ew | PRS-200ew. | PRS-300EW. | |
Максимум. Нагрузка (кН) | 30 | 50 | 100 | 200 | 300 |
Калибровочный стандарт | Класс 0.5 | ||||
Диапазон нагрузки | 0,4% ~ 100% F.S | ||||
Резолюция смещения | 0,001 мм | ||||
Скорость теста (мм / мин) | 0,05-500. | ||||
Скорость скрещивания | ± 0,5% заданного скорости | ||||
Диапазон диаметра трубы | Индивидуальные (110 мм-3000 ммм) | ||||
Эффективная ширина тестирования | |||||
Источник питания | AC 220V / 380V | ||||
Основные аксессуары:
Очередная книга в течение годовой и эксплуатации.
Группа приспособлений (сжатие)
Специальное измерительное устройство деформации для жесткости кольца
Высокоточная нагрузочная ячейка США обеспечивает высокую жесткость, высокую стабильность и высокую линейность
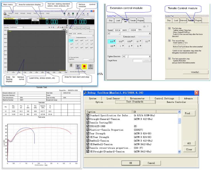
Специальное программное обеспечение для тестирования для тестирования в операционной среде Windows
Компьютерный программный интерфейс, дисплей теста Данные, метод настройки, размер выборки
Может отображать нагрузку - смещение, Время нагрузки, нагрузки, нагрузки, напряженное напряжение, напряжение напряжения, время напряжения, время деформации, нагрузка на нагрузку, стресс-доклада, разум - время для отображения и печати; Может переключаться в любое время, чтобы наблюдать, увеличить и уменьшить, горизонтальное или вертикальное движение, высокую скорость в реальном времени.
Проверенная информация о продукте: предоставить пользователям с данными, чтобы установить продукты, один Время для ввода и повторного использования постоянно. для Улучшение точности, данные могут быть исправлено по формуле автоматически.
Блок кг, N, LB можно обменять
Стандарт теста: предоставьте пользователям необходимые приложения к тесту, охватывающие GB, ASTM, DIN, JIS, BS ... и другие тестирующие стандартные спецификации.
Отчет о выходе и печати: Excel, Word, Test Test Test Test, можно отредактировать настроить на Показать информацию о тестировании, включая тестовый человек, тестовый стандарт, тестовая кривая, тест MAX Загрузить и т. Д., Может добавить логотип вашей компании и название компании, легко редактировать.
Заявление:
UTM-PRS. Серия (двойное пространство) машина жесткости кольца трубы, в основном используется для определения жесткости кольца, кольцевой мягкости и сжатия термопластичных пирогов, имеющих круглый поперечный сечение. Он соответствует требованиям всех видов пластиковых труб, таких как структурированные настенные трубы, PE гофрированные трубы, спирально намотанные трубы и т. Д.
Стандарты:
Машина может соответствовать ISO9969, ISO5893, ASTM D638, ASTM D790, ISO37, ASTM E4, ISO6892, ISO75000-1, EN 10002-4 стандартами и т. Д.
Функции:
1. Для труб с нерегулярными внутренними диаметрами измерительное устройство деформации толщины стенки также используется для измерения деформации внутреннего диаметра. Точность измерения высока, и контроль является точным и надежным.
2. Тип управления микрокомпьютером имеет расширенную технологию интеграции чипов, профессионально разработанную систему сбора данных и усиления данных и программное обеспечение для управления. Программное обеспечение для управления может автоматически получить тестовые данные, такие как жесткость кольца и соответствие кольцо в соответствии со стандартными требованиями.
3. Усовершенствованная сервовертная система с закрытым контуром позволяет увеличить точность контроля и устойчивости. Выбор отбора проб разрешения. Схема отбора проб разрешения вводится для сбора данных тестирования, даже пиковое значение не будет потеряно.
4. Уникальный дизайн системы измерения внутреннего диаметра делает образец простым в установке и измерении правильного датчика.
Технологический параметр:
PRS-30ew. | PRS-50ew | PRS-100ew | PRS-200ew. | PRS-300EW. | |
Максимум. Нагрузка (кН) | 30 | 50 | 100 | 200 | 300 |
Калибровочный стандарт | Класс 0.5 | ||||
Диапазон нагрузки | 0,4% ~ 100% F.S | ||||
Резолюция смещения | 0,001 мм | ||||
Скорость теста (мм / мин) | 0,05-500. | ||||
Скорость скрещивания | ± 0,5% заданного скорости | ||||
Диапазон диаметра трубы | Индивидуальные (110 мм-3000 ммм) | ||||
Эффективная ширина тестирования | |||||
Источник питания | AC 220V / 380V | ||||
Основные аксессуары:
Очередная книга в течение годовой и эксплуатации.
Группа приспособлений (сжатие)
Специальное измерительное устройство деформации для жесткости кольца
Высокоточная нагрузочная ячейка США обеспечивает высокую жесткость, высокую стабильность и высокую линейность
Специальное программное обеспечение для тестирования для тестирования в операционной среде Windows
Компьютерный программный интерфейс, дисплей теста Данные, метод настройки, размер выборки
Может отображать нагрузку - смещение, Время нагрузки, нагрузки, нагрузки, напряженное напряжение, напряжение напряжения, время напряжения, время деформации, нагрузка на нагрузку, стресс-доклада, разум - время для отображения и печати; Может переключаться в любое время, чтобы наблюдать, увеличить и уменьшить, горизонтальное или вертикальное движение, высокую скорость в реальном времени.
Проверенная информация о продукте: предоставить пользователям с данными, чтобы установить продукты, один Время для ввода и повторного использования постоянно. для Улучшение точности, данные могут быть исправлено по формуле автоматически.
Блок кг, N, LB можно обменять
Стандарт теста: предоставьте пользователям необходимые приложения к тесту, охватывающие GB, ASTM, DIN, JIS, BS ... и другие тестирующие стандартные спецификации.
Отчет о выходе и печати: Excel, Word, Test Test Test Test, можно отредактировать настроить на Показать информацию о тестировании, включая тестовый человек, тестовый стандарт, тестовая кривая, тест MAX Загрузить и т. Д., Может добавить логотип вашей компании и название компании, легко редактировать.